Web Analytics Made Easy - Statcounter
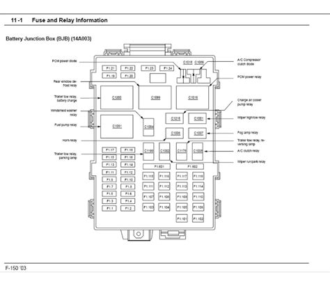
2003 Ford Ranger Fuse Box Diagram: The Reliable Pickup Guide!

2003 Ford Ranger Fuse Box Diagram: The Reliable Pickup Guide!

2003 Ford Ranger Fuse Box Diagram: The Reliable Pickup Guide! The ultimate guide to understanding the 1999 ford ranger fuse box